Фітинг трійник з зовнішнім різбленням CAMOZZI 9410

150 грн.

Додаткова інформація

Трубка

4/2, 6/4, 8/6, 10/8, 12/10, 14/12, 16/14

Різьба мм

М10х1, М12х1,5, М14х1,5, М16х1,5, М18Х1,5, М22х1,5

Тиск

до 25атм.

Трубки для приєднання

поліестер, поліамід, поліетилен, поліуретан, PTFE,
полівінілхлорид в оплетці PVC

Робоче середовище

стиснене повітря та рідини, сумісні з матеріалами
фітингів та трубок

Корпус

латунь

Різьбове ущільнення

PTFE, нейлон

Температура експлуатації

від -50° до +100°

Штуцер трійник з зовнішнім різбленням CAMOZZI 9410.

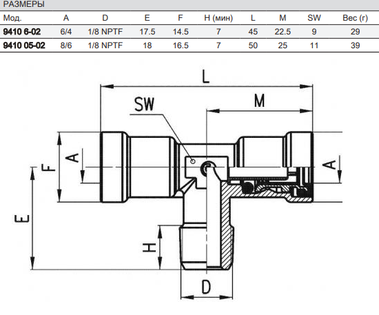
При замовленні уточнюйте розміри які Вас цікавлять.

Виникли питання?
Потрібна консультація?

Доставка

  • Нова Пошта;
  • УкрПошта;

Оплата

  • При отриманні;
  • Переказ на карту;
  • Розрахунок ФОП;

Кросселы

Апсэлы

Дивіться також інші товари